製品情報
クライオクーラー
製品詳細
概要
本製品は、振動に敏感な冷却アプリケーション向けの真空チャンバー用高効率クライオクーラーです。
UHV範囲までのすべての要求の厳しい真空アプリケーションに最適です。
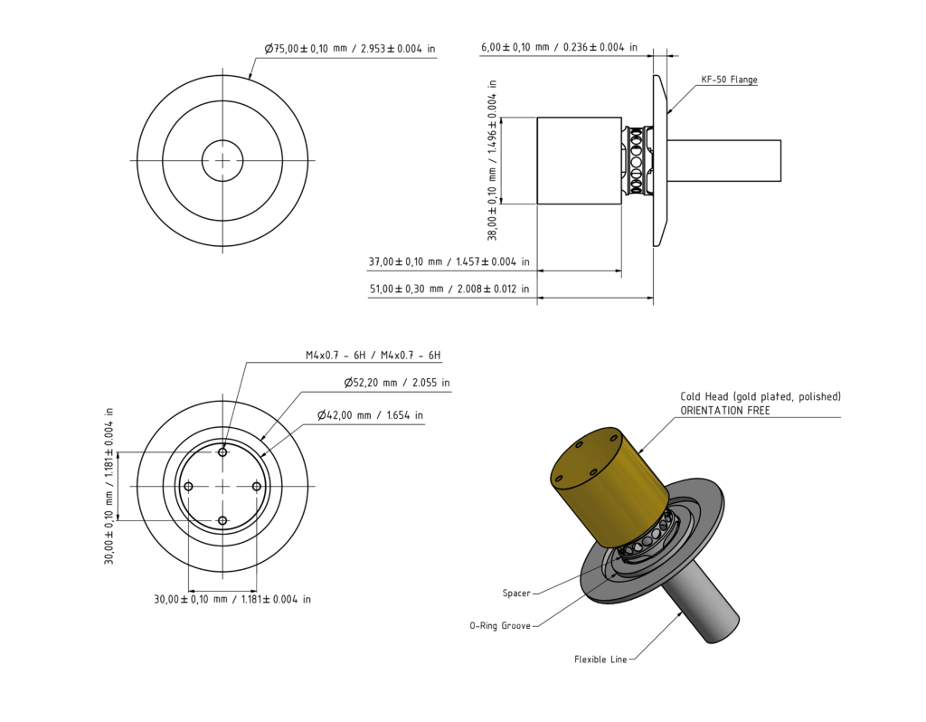
■ 標準クーラーヘッドユニット
特長
・最低冷却温度 75K
・サブnmの超低振動レベル
・冷却能力:最大1kW (特注で数W可)
・小型コールドヘッド 重量650g
・取付方向に依らない冷却性能
・コンパクト設計・低騒音
■ 応用
・レーザー関連
(高出力レーザー、CEPレーザーシステム、再生増幅器、アト秒物理、
Diskレーザー、PWレーザー、量子カスケードレーザー、X線ミラー等)
・量子光学、量子コンピューティング
・赤外検出器冷却
・分光
・半導体
・コールドトラップ
・極低温ポンプ 等
仕様
■ 仕様:K90シリーズ (冷却御温度範囲 90K~75K)
| モデル | K90075W | K90100W | K90150W | K90200W | K90300W | |
|---|---|---|---|---|---|---|
| コンプレッサー | CU700 | CU700 | CU700 | CU900 | CU900 | |
| 冷却能力@90K | 75W | 100W | 150W | 200W | 300W | |
| 最低冷却温度 | ≤75K | |||||
| 冷却時間 | 20分 | |||||
| コールドヘッド重量 KF-50/CFF-40 | 0.45kg / 0.65kg | |||||
| 消費電力 [50Hz/60Hz, typ.] | 単相 208-240VAC 2.3kW | 単相 208-240VAC 2.6kW | 3相 380-420VAC 2.8kW | 3相 380-420VAC 4.2kW | 3相 380-420VAC 5.1kW |
|
| 冷却水流量 | ≥5ℓ/分 | ≥5ℓ/分 | ≥7ℓ/分 | ≥8ℓ/分 | ≥9ℓ/分 | |
| 騒音@1m | 58dB(A) | 58dB(A) | 60dB(A) | 63dB(A) | 63dB(A) | |
* CU900 – H580mm x W880mm x D900mm コールドライン長さ 3m
* 上記データは冷却水温度12℃での値です。 冷却水温度は12℃-18℃を推奨
■ 仕様:K100シリーズ (冷却御温度範囲 100K~90K)
| モデル | K100075W | K100100W | K100150W | K100300W | K100500W | |
|---|---|---|---|---|---|---|
| コンプレッサー | CU700 | CU700 | CU900 | CU900 | CU900 | |
| 冷却能力@100K | 75W | 100W | 150W | 300W | 500W | |
| 最低冷却温度 | ≤90K | |||||
| 冷却時間 | 20分 | |||||
| コールドヘッド重量 KF-50/CFF-40 | 0.45kg / 0.65kg | |||||
| 消費電力 [50Hz/60Hz, typ.] | 単相 208-240VAC 1.9kW | 単相 208-240VAC 2.3kW | 3相 380-420VAC 2.6kW | 3相 380-420VAC 3.9kW | 3相 380-420VAC 5.5kW |
|
| 冷却水流量 | ≥4ℓ/分 | ≥5ℓ/分 | ≥7ℓ/分 | ≥8ℓ/分 | ≥9ℓ/分 | |
| 騒音@1m | 58dB(A) | 58dB(A) | 60dB(A) | 63dB(A) | 63dB(A) | |
* CU900 – H580mm x W880mm x D900mm コールドライン長さ 3m
* 上記データは冷却水温度12℃での値です。 冷却水温度は12℃-18℃を推奨
■ 仕様:K130シリーズ (冷却御温度範囲 130K~100K)
| モデル | K130075W | K130100W | K130150W | K130250W | K100500W | K100750W | K1001000W | |
|---|---|---|---|---|---|---|---|---|
| コンプレッサー | CU400 | CU400 | CU400 | CU700 | CU900 | CU900 | CU900 | |
| 冷却能力@130K | 75W | 100W | 150W | 250W | 500W | 750W | 1000W | |
| 最低冷却温度 | ≤100K | |||||||
| 冷却時間 | 20分 | |||||||
| コールドヘッド重量 KF-50/CFF-40 | 0.45kg / 0.65kg | |||||||
| 消費電力 [50Hz/60Hz, typ.] | 単相 208-240VAC 640W | 単相 208-240VAC 790W | 単相 208-240VAC 1.1kW | 単相 208-240VAC 2.2kW | 3相 380-420VAC 4.1kW | 3相 380-420VAC 7.1kW | 3相 380-420VAC 8.3kW |
|
| 冷却水流量 | ≥3ℓ/分 | ≥3ℓ/分 | ≥3ℓ/分 | ≥5ℓ/分 | ≥7ℓ/分 | ≥8ℓ/分 | ≥9ℓ/分 | |
| 騒音@1m | 52dB(A) | 56dB(A) | 58dB(A) | 61dB(A) | 62dB(A) | 64dB(A) | 65dB(A) | |
* CU700 – H580mm x W740mm x D700mm コールドライン長さ 2.5m
* CU900 – H580mm x W880mm x D900mm コールドライン長さ 3m
* 上記データは冷却水温度12℃での値です。 冷却水温度は12℃-18℃を推奨
■ 仕様:K170シリーズ (冷却御温度範囲 170K~160K)
| モデル | K170020W | K170040W | K170060W | K170080W | K170100W | |
|---|---|---|---|---|---|---|
| コンプレッサー | CU320 | CU320 | CU320 | CU320 | CU320 | |
| 冷却能力@170K | 20W | 40W | 60W | 80W | 100W | |
| 最低冷却温度 | ≤160K | |||||
| 冷却時間 | 20分 | |||||
| コールドヘッド重量 KF-50/CFF-40 | 0.45kg / 0.65kg | |||||
| 消費電力 [50Hz/60Hz, typ.] | 単相 208-240VAC 420W | 単相 208-240VAC 450W | 単相 208-240VAC 490W | 単相 208-240VAC 540W | 単相 208-240VAC 590W |
|
| 冷却水流量 | ≥2ℓ/分 | ≥2ℓ/分 | ≥2ℓ/分 | ≥2ℓ/分 | ≥2ℓ/分 | |
| 騒音@1m | 47dB(A) | 48dB(A) | 48dB(A) | 49dB(A) | 49dB(A) | |
* 上記データは冷却水温度12℃での値です。 冷却水温度は12℃-18℃を推奨
製品に関するご質問・御見積など、お気軽にお問い合わせください
03-6659-7541
関連製品
- この製品を検討
リストに追加する - この製品について
お問い合わせする





